1 / 8Paintbot from drylin N guides
Hardware Price:
DOF
3
Max. velocity
0.5
meters per second
Repeatability
0.8
mm
Paintbot: Precision and Efficiency in Automated Painting Technology
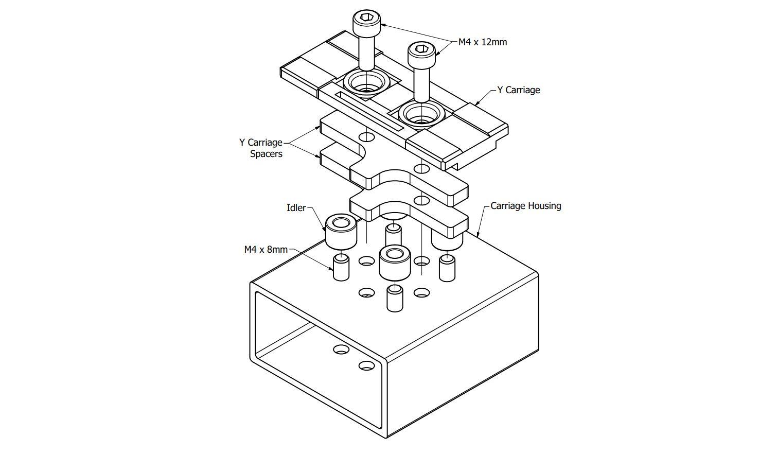
The Paintbot robotic system delivers high-accuracy painting and coating thanks to its advanced design and components. Built on drylin N miniature guideways from igus, it features a compact, lubricant-free, and wear-resistant structure, ensuring reliability and long service life. Powered by stepper motors for precision motion control, the Paintbot excels in tasks requiring exact line guidance and consistent color distribution, making it an ideal solution for both artistic and industrial applications.
What is the Application?
The Paintbot automates painting and coating processes, delivering uniform performance for tasks such as industrial coatings, precision painting, and artwork creation.
What are the Advantages of the Solution?
High Precision: Stepper motors ensure accurate positioning, critical for detailed tasks.
Maintenance-Free Design: Lubricant-free drylin N guides reduce upkeep costs.
Durable Components: Wear-resistant material extends operational life in demanding environments.
What are the Advantages of the Robot?
The Paintbot combines powerful features for efficient automation:
Flat Design: Compact drylin N guides optimize workspace utilization.
Consistent Performance: Even color distribution for flawless results.
Versatile Applications: Suitable for artistic, industrial, and commercial tasks.
Revolutionizing Painting Automation with Paintbot
The Paintbot system transforms painting and coating workflows, offering high precision, durability, and minimal maintenance. Ideal for diverse applications, it combines igus drylin guides with stepper motors for reliable and consistent results, delivering efficiency and accuracy for modern automated painting needs.
1 Component










